Барометр на BMP-280 своими руками.

Барометр на BMP-280 своими руками.

Протестировав работу датчика давления BMP-280 я решил, бытовому барометру быть. Для отображения информации атмосферного давления мне захотелось использовать не только цифры, но и график, который будет показывать отклонение от среднего значения.


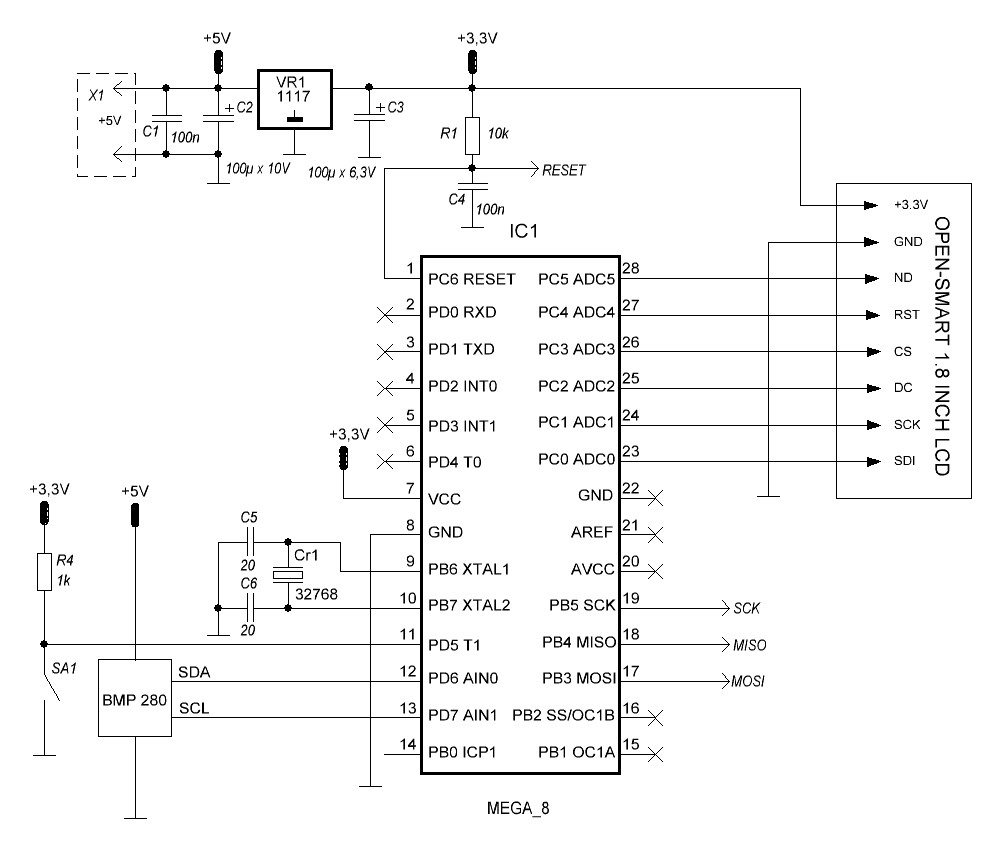
Поначалу я даже думал прикрутить и часы реального времени, но потом отказался от этой затеи из-за того, что памяти в ATmega-8 не так много чтобы осуществить все украшательства и задумки. Но все же, для более точного отсчета промежутков я включил в схему часовой кварц.

Питание схемы от USB - 5V с понижением до 3.3V через стабилизатор LM1117. Управление устройством одной кнопкой. Индикатор Open-Smart 1.8 с подсветкой.

На цифровом экране отображается текущее атмосферное давление в миллиметрах ртутного столба с точностью до одной десятой. Также в этом режиме по долгому нажатию на кнопку можно включать и выключать подсветку.

Переключение между экранами с отображаемой информацией происходит по короткому нажатию кнопки.

На графическом экране отображается график изменения давления. Время фиксации показаний можно настраивать в диапазоне от 5-ти минут до 6 часов. При этом запись в ЕЕПРОМ новых значений будет производится только если время фиксации боле часа.

На экране справа отображается максимальное и минимальное давление за все время работы прибора. Сбросить эти данные можно только стерев ЕЕПРОМ. Также по центру справа отображается текущее давление в миллиметрах ртутного столба.

Слева от графика отображается минимальное и максимальное значение графика, а также время в минутах (секундах) до следующей фиксации параметра.

Необходимо отметить то, что данные за время между фиксациями рассчитываются методом экспоненциального сглаживания. Т.е. грубо говоря, учитываются все входящие данные и находится среднее давление за отчетное время.

При долгом нажатии на кнопку при отображении графика программа переходит в меню настроек.

На экране настроек можно изменить минимальное и максимальное значение графика, а также время между записью данных. Переход между строками происходит по короткому нажатию. По долгому нажатию происходит переключение для настройки параметров. Если параметры были изменены, то напротив строки выхода будет отображаться слово Save, а если время отсчета равно или превышает 60 минут, то Save Data. При выходе из меню произойдет перезагрузка и пересчет с учетом новых настроек.

Корпус прибора распечатан на 3D принтере вот таким кубиком.

В приложенных файлах: схема, разводка платы, прошивка и файлы для печати подставки под дисплей и корпусных деталей.

Ну а на сегодня все. Удачи.

10.04.26


Если вдруг найдете в статье неточности или заблуждения. Напишите мне об этом. Я подправлю.

Приложения:
Скачать схему, плату, прошивку, проект, файлы для печати.