
![]() |
Мой предыдущий селектор каналов показал себя с очень хорошей стороны. Но был в нем один недостаток. Когда я его создавал, я не умел «прикручивать» к МК энкодер и поэтому пришлось управление сделать одной кнопкой. Долгое нажатие на нее переключало выходы, а короткое переключало входы. И все бы хорошо. Но мой внутренний перфекционист все эти годы не давал мне покоя. |
|---|
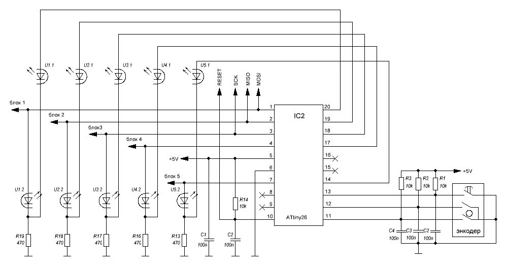
Поэтому я все же решил доработать селектор сделав переключение каналов с помощью энкодера, а также реализовал некоторые фичи которые мне пришли в голову за время эксплуатации предыдущей версии. Концептуально, как и в предыдущей версии, я оставил три входа и два выхода. Технически, при такой индикации, к этому МК можно подключить еще один канал, но у меня за пять лет эксплуатации, ни разу не возникла потребность в этом.
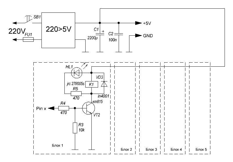
Для питания новой схемы я не стал городить огород как в предыдущий раз, а использовал готовый преобразователь 220/5V приобретенный на Али за 50 рублей. Его мощности с запасом хватает чтобы удерживать в рабочем состоянии два реле и питать МК. Схему блока реле я не менял и использовал уже проверенную версию.
Из блока коммутации я убрал шунтирующие резисторы на входах. Они вроде как не очень нужны, а вот на выходах оставил. Они убирают наводки, которые могут возникнуть в длинных коммутационных проводах.
По началу я хотел вместе с энкодером прикрутить и экранчик, чтобы каналы отображались большими цифрами, да и всякие украшательства добавить, но поразмыслив понял, что этим я сильно усложню коммутатор, который по своему устройству должен быть не сложнее лопаты и вообще, собран на галетном переключателе. Я отказался от экранчика в пользу старых, добрых, сдвоенных светодиодов.
Для корпуса я использовал бокс ВХ11В 222х146х51. Он сделан из какого-то алюминиевого сплава, силумина не иначе. Обрабатывается легко, да и является хорошим экраном. Этот корпус я уже испльзовал для предыдущего селектора, ЦАПа и сетевого фильтра.
В прошлый раз мне не хватило места на задней панели для размещения всех разъемов, в этот раз я развернул корпус и всё уместилось без проблем. Дополнительно, для индикации рабочих каналов, на заднюю панель вывел светодиоды указывающие включённые реле. Желтые – входы, зеленые – выходы. Таким образом облегчил себе жизнь при коммутации аппаратуры. С другой стороны, получил новогоднюю елку и освещение за аппаратурой. А это уже на любителя. Короче если что, их можно не устанавливать.
Переключение входных каналов производится поворотом энкодера, выходные каналы переключаются по короткому нажатию на кнопку. При повороте энкодера или нажатию на кнопку программа отключает все каналы и переводит работу блока управления в режим индикации при этом светодиоды меняют свой цвет с зеленого на красный. После установки нужного рабочего канала, МК включает сначала входной, а затем выходной канал и переводит индикацию в рабочей режим, при котором светодиоды горят зеленым цветом. Также есть возможность отключение только выходного канала по долгому нажатию кнопки энкодера. При этом светодиод указывающий рабочий выходной канал включается в режим индикации и моргает красным. Выход из этого режима осуществляется также, по длительному нажатию на кнопку энкодера.
В приложенных файлах схема, платы, проект сделанный в CV_AVR и прошивка. Фьюзы для МК смотреть в файле "Selektor.с" в папке "Программа".
А на сегодня всё. Удачи.
27.12.2022
Если вдруг найдете в статье неточности или заблуждения. Напишите мне об этом. Я подправлю.
Приложения: Скачать схемы, разводку плат селектора и прошивку