
![]() |
Потребовалось мне протестировать зарядку к смартфону. Приобрел я себе USB тестер, и даже хотел вместе с ним прикупить нагрузку от наших китайских товарищей, но потом подумал, а зачем мне покупать, когда я сам могу ее сделать. |
|---|
Немного поколдовав над схемой уже имеющийся у меня универсальной нагрузки я получил простенькое, но мощное устройство для работы с USB тестером и возможностью регулировать мощность от 0 до 20 ватт. Можно конечно было бы сделать мощнее, но что-то мне подсказывает, что и 4 ампера через USB разъем пускать нужно с большой осторожностью.
Ничего инновационного в схеме нет. Для ее упрощения можно выкинуть цепь опорного напряжения С1 VD1 R4. Но при этом надо понимать, что малейшее изменение входного напряжения приведет к тому, что немного будет уплывать ток, проходящий через нагрузку. С другой стороны, TL431 ставят куда ни попадя и найти ее не составляет особого труда. Конденсатор С1 можно поставить поменьше, например, 1 мкф. Электролит лучше не ставить из-за того, что, во-первых, его сложно разместить между платой и радиатором, а во-вторых устройство при работе сильно нагревается, а это электролитическим конденсаторам не полезно. Резистор R9 0.1 Ом на 2 W. При максимальном токе на нем будет рассеиваться около 1.6 ватта. Вместо подстроечного R1 можно воткнуть постоянный на 30…39 кОм.
Но конечно же самое главное в этом устройстве это радиатор. Если у вас есть небольшой радиатор с вентилятором на 5 вольт, то лучше поставить его запитав от USB. На плате есть возможность аккуратно развести пару пятачков под питание вентилятора. Я же нашел у себя радиатор без принудительного охлаждения, снятый с какой-то старенькой материнской платы. Как оказалось, в последствии он отлично подошел для этой цели. И да. Не забываем про термопасту. Крепить транзистор на сухую к радиатору категорически не советую.
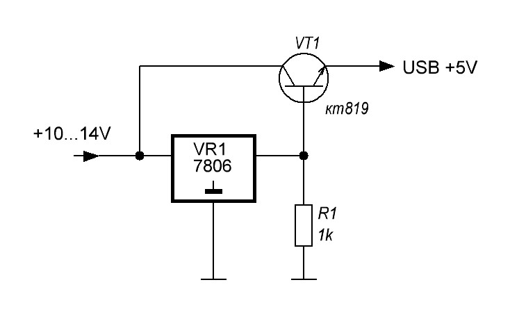
Для тестирования нагрузки током в 4 ампера мне пришлось собрать отдельно схему мощного стабилизатора на 5 вольт и запитать его от импульсного блока питания.
Если будете собирать такой же, то обратите внимание на то, что разница между напряжением на эмиттере и напряжением на базе выходного транзистора составляет около 0,7V. Поэтому для получения на выходе напряжения в 5 вольт необходимо ставить стабилизатор не на 5, а на 6 вольт. Платка прикреплённая сбоку радиатора это не что иное как регулятор вращения вентилятора.
Тестирование показало уверенную работу нагрузки. Для контроля температуры нагрева я использовал термометр предварительно заполнив межреберный зазор радиатора термопастой.
Температура радиатора при двух амперах.
Температура радиатора при четырех амперах.
При максимальной нагрузке температура радиатора не поднимается выше 80 градусов. Это позволяет использовать нагрузку без принудительного охлаждения долгое время. Но есть одно, НО. При долгом использовании (я оставлял на час) нагрузка сильно нагревается и разогревает USB разъем. А это не есть хорошо.
В сухом остатке. В тандеме с USB тестером нагрузка показала свою универсальность и стабильную работу. А если есть возможность, делайте устройство с принудительным охлаждением.
А на сегодня всё. Удачи.
04.02.19
Т.к. я пользуюсь нагрузкой часто, то решил запилить для неё корпус. Ну и конечно после приобретения 3D принтера делать это стало намного легче. Да, есть нюансы и ограничения, но напечатать коробку с нужными отверстиями, стоечками и проточками намного проще нежели пилить это все самому.
Файлы для печати, а также проект в формате. dwg в приложенных файлах. Специально вентилятор не подбирал и взял то, что было подходящее по размеру. Расстояние между местами крепления вентилятора 50x50мм, а его толщина 12мм. Он крепится на специальные стоечки и прижимается сверху крышкой.
А на сегодня всё. Удачи.
04.12.2020
Если вдруг найдете в статье неточности или заблуждения. Напишите мне об этом. Я подправлю.
Приложение:
Скачать схемы и разводку платы.
Файлы для печати корпуса.