
|  | У меня достаточно давно (c 2017г.) работает самодельный усилитель. И я как-то уже менял в нем лампы. Началось всё с шума, а затем и треска в колонках. После обследования был выявлен пробой одной из ламп. А недавно меня посетила мысль о том, что не пора ли мне снова менять лампы? Ведь они работают уже точно более 4 лет. | 
|---|
Все дело в том, что радиолампы (вакуумные электронные приборы) имеют ограниченные сроки эксплуатации, которые по сравнению со сроками работы транзисторов просто смехотворны. Если у транзистора срок эксплуатации составляет более 20 лет, то у самых ходовых ламп 6н23п и 6п14п всего 1000 часов, в версии ЕВ – 5000 часов. Это говорит лишь о том, что, если включать усилитель в среднем на 4 часа каждый день, то ресурс ламп закончится через 250 и 1250 дней соответственно. Получается, что даже для ламп в версии ЕВ срок работы в таком режиме всего лишь около трех с половиной лет.
Безусловно, лампы могут работать и дольше. Но из-за того, что процессы деградации в них, даже при очень бережной и правильной эксплуатации, все равно происходят, то, чем дольше работает лампа, тем ниже качество ее работы. Ухудшение происходит плавно, а нам кажется, что наш усилитель так всегда и работал. И вот только когда случается окончательная поломка мы задумываемся о том, что лампу пора поменять. А после замены, зачастую, удивляемся тому, как сильно изменилось звучание.
И вот, для контроля времени использования радиоламп, мне пришла в голову мысль запилить индикатор времени их работы.
На первый взгляд нет ничего сложного сделать индикатор, который будет контролировать время работы радиолампы и сигнализировать о пройденном времени. Но, как всегда, при ближайшем рассмотрении задачи выяснилась пара неочевидных проблем.
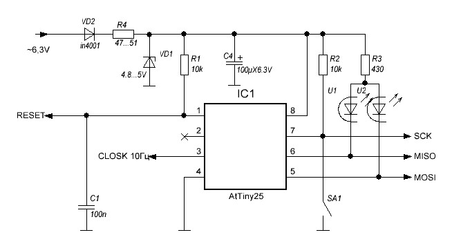
Сердцем индикатора я решил сделать микроконтроллер Tiny 25. Как по мне, то для такой простенькой задачи этот МК подходил как нельзя лучше. Первоначально я хотел подсоединить к нему часовой кварц. Но что-то пошло не так. Прикрутить к Tiny резонатор мне толком не удалось как в проекте с часами, так и в этот раз. По какой-то непонятной мне причине часовой кварц с этими контроллерами у меня не дружит. Подозреваю, что просто подключить кварц к правильным ножкам, установить конденсаторы в 20…30р и записать в биты CKSEL 0110 недостаточно. Генерация шла, но амплитуда не превышала 1 вольта. Что я только не делал. Менял кварцы, подбирал ёмкости, игрался с питанием и битами SUT. Но разобраться как запустить Tiny 25 с часовым кварцем мне, так и не удалось. В процессе экспериментов пришлось превратить в кирпичи пару контроллеров. Брать же Mega8 для такой простой задачки мне не хотелось, и я решил рассмотреть другие варианты тактирования. Для получения пары тактов в секунду от внутреннего генератора мне пришли на ум аж три способа. Но как говорится, есть нюанс.
Внутренний генератор имеет очень серьезную погрешность и даже запись корректирующего коэффициента в регистр OSCCAL не спасает от серьезных отклонений на большом отрезке времени. Даже после корректировки работы генератора у меня получилось минимальное отклонение в +0,25%. Если я правильно посчитал, то в час, счетчик отсчета времени будет спешить на 9 секунд. Для хронометров это катастрофическая погрешность. Потому как на дистанции в 5000 часов отклонение составит целых 12,5 часов. Но как оказалось это не единственная проблема, связанная с точностью отсчета времени.
Другая проблема заключается в работе EEPROM. Производитель МК указывает на то, что гарантированный ресурс EEPROM (стирание/запись) всего 100 т. циклов. Если записывать в EEPROM данные поминутно, то для 5000 часов потребуется 300 т. записей. А это много больше, чем максимальное количество циклов гарантированной работы EEPROM. Поэтому для счетчика времени была выбрана 16-ти битная переменная типа INT и запись данных в память каждые 10 минут. А для продления гарантированной работы устройства была установлена ротация мест хранения информации. Т.е. при каждом завершении цикла отсчета времени или настройки новых параметров автоматически выделяется новое место в EEPROM для записи счетных значений.
При этом необходимо понимать тот факт, что при каждом выключении устройства будет теряться в среднем около 5 минут неучтенного времени. За 5000 часов при ежедневном использовании набежит в среднем около 17-ти часов. С другой стороны, потеря этого времени будет слегка компенсироваться отклонением в работе генератора. Если он немного спешит.
Итак, покумекав над концепцией я принял решение сделать счетчик для индикации времени работы ламп с максимальным временем счета в 10 000 часов, и шагом его настройки в 500 часов. При этом весь цикл отсчета времени будет разбит на 4 рабочих диапазона с разной индикацией.
Первый диапазон будет отсчитывать половину установленного времени контроля работы лампы. При этом зеленый светодиод будет моргать раз в минуту. Когда счетчик находится в интервале от 50 до 75% установленного времени работы радиолампы. Индикатор светится зеленым постоянно. Как только счетчик пересекает 75-ти % рубеж, то индикатор начинает светился красным. Ну а после того, как счетчик преодолевает рубеж установленного времени индикатор начинает часто моргать красным. При этом в EEPROM запись времени уже не ведется.
Индикатор подключается к линии накала ламп 6.3V. Как только включается накал, счетчик начинает свою работу. По умолчанию счетчик устройства настроен на 2000 часов. Как по мне это нормальное время эксплуатации большинства ламп, у которых время работы по паспорту 1000 часов. При первом включении происходит настройка генератора счетчика. Из регистра OSCCAL забирается калибровочный коэффициент к нему прибавляется 2 и сумма помещается опять в регистр. При коротком нажатии на кнопку из регистра OSCCAL вычитается единица. Подключив частотомер (мультиметр) к выходу генератора (третьей ножке МК) необходимо добиться частоты близкой к 10 герцам. Хорошо если она будет в районе 10.01…10,02 Гц. Это как раз позволит немного компенсировать потери времени при выключении. После установки частоты необходимо нажать и подержать кнопку. Устройство выйдет из режима настройки и начнет отсчет времени.
Для настройки и перезапуска счетчика, необходимо нажать и держать кнопку. Светодиод моргнёт 2 раза красным после чего нужно посчитать количество морганий светодиода зеленым цветом. Эта сумма помноженная на 500 будет обозначать количество установленных для счета часов. При коротком нажатии кнопки загорается зеленый светодиод и происходит приращение счетчика на 500 часов. В случае если моргнул красный светодиод. Это говорит о том, что счетчик перешагнул максимальное значение в 10 тысяч часов и обнулен. При нулевом значении счетчика выход из режима настроек невозможен.
После выставления нужного значения времени необходимо нажать и удерживать кнопку энкодера. Индикатор снова будет моргать зеленым отсчитывая выставленное время. Если все правильно, то необходимо еще раз нажать и подержать кнопку. Устройство моргнёт зеленым два раза и перейдет в режим отсчета времени с нулевого значения.
Ну вот и все. Надеюсь, кому-то этот индикатор пригодится.
В приложенных файлах схема, разводка и программа.
А на сегодня всё. Удачи.
24.10.25
Если вдруг найдете в статье неточности или заблуждения. Напишите мне об этом. Я подправлю.
Приложение: Схема, разводка платы, проект и прошивка индикатора.