
Памятуя о том, что я люблю музыку, и у меня есть на чем послушать винил. Подарила мне подружка на день рождения пластиночку. Подарок замечательный. Вот только с той поры как я отдал свой усилок со встроенным фонокорректором другу, слушать мне винил не чем. А значит надо пилить фонокорректор к своему ламповому усилителю. |
|---|
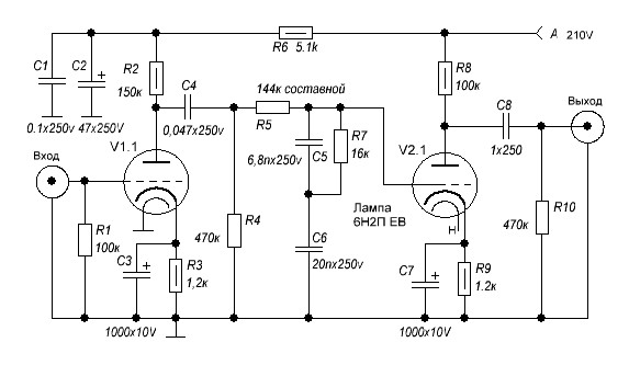
Погуглив и рассмотрев предлагаемые схемы решил остановиться на очень простеньком фонокорректоре который скомпилировал и сделал в металле камрад BOOTSECTOR. Схема подкупила простотой и доступностью деталей.
Я изначально планировал сделать фонокорректор как самостоятельное устройство и поэтому пришлось доработать проверенный мной блок питания под новые задачи. Начитавшись о том, что для накала ламп в фонокорректоре желательно использовать стабилизированное напряжение, я недолго думая домотал накальную обмотку до 8 вольт и воткнул в блок питания шести вольтовый стабилизатор.
Лампы я взял 6Н2П ЕВ, благо остались от предыдущих экспериментов. Остальные детали наскреб по сусекам. Заковырка получилась только с конденсаторами С6 20 нф. у меня нашлись только на 22 нф. Ну так это я исправлю, когда с оказией окажусь на радиорынке. Да… Резистор R5 составной, потому как номинала 144 кОм нет даже в ряду Е192. Этот резистор я подбирал с помощью мультиметра составляя два резистора номиналами 120 кОм и 24 кОм последовательно.
И вот, как все это у меня вышло.
Устройство заработало сразу. После прогрева я выставил резистором R1 на блоке питания анодное напряжение в 210 вольт. И начал слушать музыку. Вот тут я и залип сразу часа на три. Поностальгировал о прошедших девяностых на начало которых пришлась моя юность. И отслушал очень разные как по жанру, так и по качеству пластинки.
Что касается звука. Т.к. я не являюсь аудиофилом в терминальной стадии, а могу себя отнести лишь к меломанам любителям, то для той вертушки которая у меня есть, а это SONY PS-LX300H с родной головой, этот корректор очень даже неплох. Ну, во-первых, его звук сильно и в лучшую сторону отличается от того встроенного недоразумения (я теперь это точно знаю), что стоит в усилителе Pioneer A-305R. А во-вторых, и оно вытекает из первого, когда я раньше слушал пластинки мне казалось, что качество их звучания не сильно отличается друг от друга и все они играют одинаково хорошо. Ну может за редким исключением ретро-пластинок. Вчера я своими ушами не напрягаясь услышал, то, о чем мне говорили разного рода гуру от винила. Качество записей на всех прослушанных мной пластинках сильно отличалось. Например, 25 лет назад мне казалось, что Алисен «Шабаш» записан отлично. А тут я был сильно разочарован, качество записи оказалась посредственным. С другой стороны, прослушивая трек «Rubberbandman» YELLO я был приятно удивлен наличием мягких басов, о существовании которых я даже не подозревал. Порадовал меня также Мальчишник своей неуемной похотью и в целом неплохим звуком. А вот звучком на пластинке «Канибал» Коррозии Металла был сильно разочарован. Но от прослушивания Dire Straits "Communiqué" и "On Every Street" я получил огромное удовлетворение. Жаль у меня нет их "Brothers in Arms". В общем вечер я провел в наушниках наслаждаясь музыкой.
Что в сухом остатке. Для тех, кто делает первые шаги по пути хорошего звука, сделанного своими руками, этот фонокорректор то, что надо. Его просто собрать, он не требует никакой настройки, все детали можно взять как говориться «с помойки» и у него (пусть даже на мой вкус, а о вкусах не спорят) очень неплохой звук. Наслушаетесь, получите опыт, можно будет переходить к более сложным устройствам и заморачиваться сочетаниями звуковых головок со входными цепями фонокорректора и т.д. и т.п….
Чуть позже куплю корпус и упакую.
В приложенных файлах альбом схем, разводка плат.
А на этом всё.
27.07.2018
Ну вот. Пришел мне по почте с Али корпус, а значит надо доделать начатое до конца. Разметка, сверловка и упаковка в корпус заняла чуть более часа с перерывами на чай.
Т.к. емкости на 20n в природе оказывается не существует (Действительно не знал. 2n есть, а уже 20 n нет.) пришлось приобрести несколько конденсаторов по 10n и соединить их параллельно. Подбирал их вот таким приборчиком.
К своему удивлению после замены конденсаторов заметил разницу в звучании. И новый звук мне понравился больше.
Также немного пришлось побороться с фоном. В процессе экспериментов было выявлено, что фон идет только если я защитное заземление розетки, вешаю на корпус. А если на корпус посадить только общую шину, то фон прекращается. Так и сделал.
В итоге вот что получилось.
Теперь я снова могу послушать пластинки и оглянувшись назад вспомнить былую молодость.
18.09.2018
Т.к. я не заземлил корпус должным образом меня немного потряхивало когда я подключал усилитель к фонокорретору. Чувствовать проходящий через тебя ток еще то удовольствие и поэтому я решил все-таки развязать корпус от общего контакта и посадить на него защитное заземление. А заземление вертушки я подсоединил все-таки к общему проводу. Между общим и защитным заземлением повесил конденсатор в 1 нф. Теперь все нормально. И корпус не «кусается» и фона нет.
29.09.2018
Если вдруг найдете в статье неточности или заблуждения. Напишите мне об этом. Я подправлю.
Приложение: Скачать схемы и разводку плат фонокорректора.